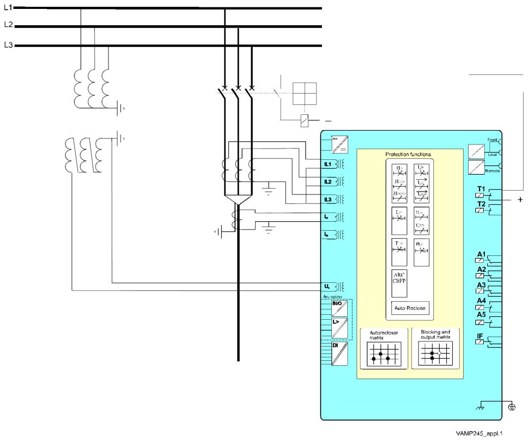
Feeder protection relay VAMP 245
The comprehensive protection functions, many communication protocols and numerous auxiliary functions make the VAMP 245 perfect for utility and industrial power distribution. The overcurrent and directional earth-fault relay VAMP 245 is used for protection of the outgoing feeders.
Autoreclosure features
- Five shot scheme
- Settable reclaim times
- Start and fail counters
- Shot counters for each shot
- Autoreclose starting is fully configurable and can be initiated by
- any start signal
- any trip signal
- digital input
Protection
- Three overcurrent stages
- Two earth fault stages
- Two directional earth-fault stages
- Phase unbalance stage
- Two residual voltage stages
- Inrush detector
- Thermal overload
- Circuit Breaker Failure
- Arc fault protection (option)
- Multi-shot autorecloser stages
- Disturbance recorder